Форум «Auto-HiFi»Вернуться к списку тем
| Сообщение |
Автор |
|
Добрый день ! Подскажите пожалуйста )
Есть Машинка Golf 4 купе.
Установлено:
1) ГУ Alpine CDA-9854R
2) Фронт Hertz DCX 165.1 + твитеры из Мвидео Kicx PD20 S( в уголках зеркал,может перенести на стойки?)
Есть в наличии не подключено :
Усилитель alpine v power 320
Два шатных мидбаса валяются ( может назад установить?)
Саб в планах в подлокотник.
два кросовера тоже alpine
Вопросы:
Планирую на днях заняться прокладкой проводов , для этого хотелось бы знать какую схему подключения выбрать на будущее? ( к чему подключать твитеры к усю или к ГУ ? Мидбасы , Тянуть ли провода к тыловым колонкам или они не нужны. (Усилитель и ГУ менять в ближайшее время не планирую) . Что вообще из всего этого можно сделать для хорошего звука? ( шумка присутствует). Можно ли временно отрезать и демонтировать пищалки с фронтальных колонок Hertz DCX 165.1,как отразится на звучании.? Спасибо
|
2017-06-06 15:05:51ВадимGolf4НовичокАдрес: МурманскСообщений: 7
|
|
Hertz DCX 165.1 на тыл.
Твитеры в топку.
На фронт под твой усь Audio System MX 165 EVO.
Да прибудет с нами сила.
|
2017-06-07 09:55:43den 5ВетеранАдрес: МоскваСообщений: 5680
|
|
А подключать все это каким образом? Усилитель вроде бы 5-ти канальный , фронт и тыл на отдельные каналы ? Фронт твиты через кросоверы к мидам? И Hertz на тыл , имеется ввиду в полку или сзади по бокам . Спасибо.
|
2017-06-07 15:06:19ВадимGolf4НовичокАдрес: МурманскСообщений: 7
|
|
В целом из того что у тебя есть более менее годится магнитола, усилитель - но с индексом 320 у алпайна всего лишь 1 модель и это 2х канальник, а не 5и ... т.ч. ты разберись поточней , что там в реале у тебя за усилок ! В третьих den 5 верно сказал тебе про новую акустику на фронт, причём компонентную.
Твои коаксиалы Hertz DCX 165.1 либо продай, либо поставь на тыл (при этом можно попробовать их запитать так же мостом от уся как и саб и обрезать сверху на 120-200гц - дальше усь не режет, и будет дополнительная басовая поддержка без лишних криков и оров позади)
Саб в гольф 4 купе (если в реале - трёхдверный хэтчбек) можно поставить в заднюю полку, если не хочешь занимать багажник )))
Alpine UTE-92BT+Audio System X-80.6+2хGround Zero GZRW 8FL+ Hertz ML 700.3+Ground Zero GZUW 12SQX
|
2017-06-07 20:19:18general1985ВетеранАдрес: БалашихаСообщений: 1715
|
|
Есть такой усь 5-ти канальный
http://www.xn--80aeatqv1al.xn--p1ai/az/2001/07/p104-105.htm
Но что-то уж очень волосатых годов. Интересно насколько он живой?)
Pioneer DEH-X5900BT + Alpine PDX-V9 + Hertz ESK 165.5 + Hertz ES 250D.5
|
2017-06-07 22:31:07nixogenСпециалистАдрес: МытищиСообщений: 86
|
|
Во первых, спасибо за ответы ,потихоньку начинаю вникать. Усилитель живой внешне ,( накинул колонки ,подключил к акб , играет, а вот выдержит ли он высокую нагрузку неизвестно) , практически не эксплуатировался , лежал в коробке в гараже несколько лет . Решено заказать вот эту акустику на фронт Audio System MX 165 EVO, раз знающие люди советуют, потому что я вообще в этом ноль , ( Отзывов по данной акустике практически не нашел )но и другого ничего больше предложено не было , ) .Если заказывать с этого сайта в Мурманск долго ли все это будет идти ? Очень понравился совет по реализации звука для маленьких машин типо моей, в котором используется два комплекта одинаковой компонентной акустики на фронт и в задние двери(без твитеров) , при этом задние миды фильтруются так чтобы они не воспроизводили частоты выше 80гц ,ставится два усилителя 4-х канальный на фронт и 2-х канальный на тыл. Можно ли что то подобное попробовать реализовать с моим оборудованием? Купить комплект Audio System MX 165 EVO, а HErtz, как сказал " general1985" перенести в задние "двери" и обрезать их. Или на таком усилителе не получится ? Про усилитель так и не понял , как подключать ,какие динамики куда ,если он 5 ти канальный. Спасибо.
|
2017-06-08 10:25:03ВадимGolf4НовичокАдрес: МурманскСообщений: 7
|
|
Смотри, можно сделать очень неплохую систему:
0) Покупаешь комплект Audio System MX 165 EVO
1) От 2х каналов усилка через кроссоверы входящие в комплект Audio System MX 165 EVO подключаешь пищалки
2) От 2х других каналов усилка без кроссоверов подключаешь фронтальные мидбасы (они и так играют в полную полосу, поэтому резать их сверху не надо, снизу - разве что на частотах ниже 40гц)
3) От сабового канала подключаешь имеющиеся коаксиалы герц, сперва запараллелив их т.е. провода от каждого динамика включаются подвое в выходы усилка (два плюсовых - в плюсовой, два минусовых - в минусовой) и ставишь срез на усилке снизу на 25-30-40гц в зависимости от звучания и сверху на 100-200гц, опять же в зависимости от звучания ))
И выйдет что у тебя полная поканалка , т.е. ты можешь регулировать уровень громкости пищалок и мидбасов на фронте независимо друг от друга и плюс у тебя снизу будет фактически играть две пары мидбасов, что обеспечит неплохой уровень нижних частот при прослушивании )
Alpine UTE-92BT+Audio System X-80.6+2хGround Zero GZRW 8FL+ Hertz ML 700.3+Ground Zero GZUW 12SQX
|
2017-06-09 18:34:20general1985ВетеранАдрес: БалашихаСообщений: 1715
|
|
Спасибо за дельный совет general1985, так и буду делать . Единственный вопрос остался . Когда я куплю саб , его подключать через отдельный усилитель или можно подцепить к этому,к этой системе ? Или взять активный саб.?
|
2017-06-13 12:06:00ВадимGolf4НовичокАдрес: МурманскСообщений: 7
|
|
И как задать задним колонкам такой дипазон частот , этот усилитель вроде бы так не режет . Можно ли срезать кросоверами дополнительными? Или докупить для задних колонок еще один усилитель на котором можно так срезать частоты , а на первый 5-ти канальный подцепить саб.
|
2017-06-14 16:30:00ВадимGolf4НовичокАдрес: МурманскСообщений: 7
|
|
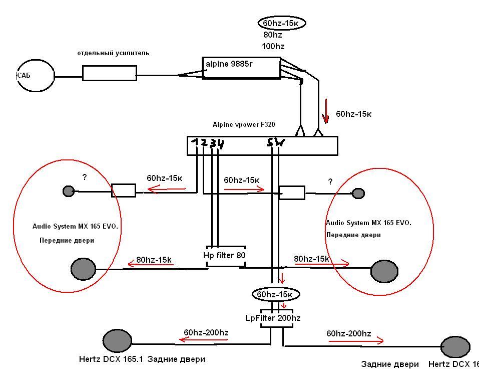
2017-06-14 17:37:54ВадимGolf4НовичокАдрес: МурманскСообщений: 7
|
|
Вот такая схема будет рабочей ? или я херню сделал? ( сразу выставлю на магнитоле диапазон частот от 60 и до 15кhz)

|
2017-06-14 17:38:45ВадимGolf4НовичокАдрес: МурманскСообщений: 7
|
  Для того, чтобы оставлять сообщения на форуме пройдите регистрацию. Если вы зарегистрированы, то введите имя и пароль.
|
  
Мы в Telegram
Мы в ВКонтакте
Полная шумоизоляция Вашего автомобиля по специальной цене! При покупке акустики для штатных мест Mercedes - установка на интересных условиях! При покупке акустики для штатных мест BMW - установка на интересных условиях! Шумовиброизоляция четырех дверей в три слоя под ключ по интересной цене! Каждому покупателю акустики размера 16,5 см. дороже 10000 рублей проставочные кольца для установки в подарок! Каждый покупатель получает в подарок компакт-диск с клёвыми миксами от Mr. DJ Monj! Каждому покупателю фирменные рамки «Auto-HiFi» для государственных номерных знаков в подарок!
2025-11-28 Акустика Brax: Brax MATRIX ML165 PRO, Brax MATRIX ML80 PRO. 2025-11-27 Активные сабвуферы Recoil: Recoil LAS10, Recoil LAS12. 2025-11-26 Процессорный усилитель мощности Light Audio LA-ADSP6.8-L. 2025-11-25 Сабвуфер DLS Cruise CR8.D2. 2025-11-24 Сабвуферы Helix: Helix IK E8.1-SVC2, Helix IK E8.1-DVC2, Helix IK E10.1-SVC2, Helix IK E10.1-DVC2. 2025-11-23 Морская акустика Recoil: Recoil M0-4B, Recoil M0-4W.
Финал автозвуковых соревнований EMMA 2025 в Санкт-Петербург Финал EMMA 2024 Фоторепортаж с этапа автозвуковых соревнований EMMA в Санкт-Петербурге 22 июня 2024 года Фоторепортаж с этапа EMMA в Твери 1 июня 2024 года Финал автозвуковых соревнований EMMA 2023 года в Воронеже
4-канальный усилитель мощности Hellion HAM 150.4D Финал EMMA 2025 в Санкт Петербурге ESQL часть 1 Финал EMMA 2025 в Санкт Петербурге ESQL часть 2 Финал EMMA 2025 в Санкт Петербурге ESQL часть 3 Финал EMMA 2025 в Санкт Петербурге ESQL часть 4 Финал EMMA 2025 в Санкт Петербурге ESQL часть 5 Финал EMMA 2025 в Санкт Петербурге ESQL часть 6 Финал EMMA 2025 в Санкт Петербурге ESQL часть 7
Всем доброго времени суток!Прошу помощи в подборе сбалансированной системы.
Имеется авто Тойота Рав 4 пятого поколения. ГУ китайский план . . . . . Добрый день, коллеги!
Имеется автомобиль Mitsubishi Outlander.
Фронт SOaudio SO165/38 + SOaudio SO29neo
Тыл Audison Prima APX 6.5
Саб . . . . . Всем доброго вечера. Нужна помощь в выборе процессора и усителей. Начну издалека. Изначально в моем авто Hyundai Santa Fe tm была двухполо . . . . . Всем привет!
Нужен совет по подключению процессорного усилителя Усилитель Sennuopu X680 к голове Teyes CC3.
Я начитался, что есть 2 спос . . . . . Всем привет подскажите под MPS 250 подойдет усилитель Match UP 1FX будет ли нормально по громкости все работать чуть выше среднего ? Или . . . . . Здравствуйте. Подскажите, пожалуйста ,головное устройство с навигацией яндекс для киа оптима 2013. . . . . . Друзья, подскажите бесплатную программу на ноутбук для замера ачх с помощью микрофона.
Микрофон usb YANMAI sf-555b . . . . . Всем привет! Купил Ground Zero GZPC 165.3SQ-С ACT. К ним усилитель Alpine R-A90S. Процессор Madbit DSP pro2. Сабвуфер GZTW-12F. Усь к нем . . . . .
Усилитель Prology RX-4120D Kraken → Усилитель на любителя.В целом звук отдает синтетикой .Выдает неплохую мощность.А . . . . . Сабвуфер Morel Primo 104 → МДФ влагостойкая 24мм,ЗЯ 22л., кабель 6кв.мм Inakustik. ,терминал Урал, усилок А . . . . . Сабвуфер DL Audio Gryphon Pro 10 V.3 SE → Отличный сабвуфер с моноблоком PRIDE mille . . . . . Акустика JBL Club 6500C → Здравствуйте. Хочу поделиться своим мнением по этой акустике. Установил в перед . . . . . Сабвуфер Kicx Head Shot 10 (2+2) → Ну как бы и правда смешаные чувства, есть путний мотор да и сам дифф вроде норм. . . . . . Автомагнитола Pioneer DEH-P88RS → Карозеррия 070 мне больше подошла по зауку . . . . . Усилитель Helix NEXT V TWO → Перешёл с eton ma2 на helix next v two. Eton ma2 выдавал небольшой , но слышимый . . . . . Усилитель Hellion HAM8.100DSP → Это самый оптимальный процессорный усилитель для создания автозвука среднего сег . . . . .
Автомагнитола JVC KW-R930BT в Toyota Caldina II Сабвуфер Alpine SWG-1044 в Haval H3 Усилитель Ural BV 1.800 в Haval H3 Усилитель Hellion HAM8.100DSP в Audi Q5 Сабвуфер Focal Sub 12 Dual в Lada Vesta
|