Форум «Auto-HiFi»Вернуться к списку тем
| Сообщение |
Автор |
|
Подскажите примерно так должны провода проходить?
Под мою апаратуру нужен Sound Quest SQK0 или хватит Sound Quest SQK4
какие еще провода нужны к этому комплекту
эти получается на другой усил и какие еще нужны?...

|
2013-03-03 18:10:57normalekkЖительАдрес: СамараСообщений: 47
|
|
а блин еще пищалки...какие туда провода еще?
|
2013-03-03 18:11:29normalekkЖительАдрес: СамараСообщений: 47
|
|
помогите а то запутался с этой проводкой уже....
|
2013-03-03 18:11:43normalekkЖительАдрес: СамараСообщений: 47
|
|
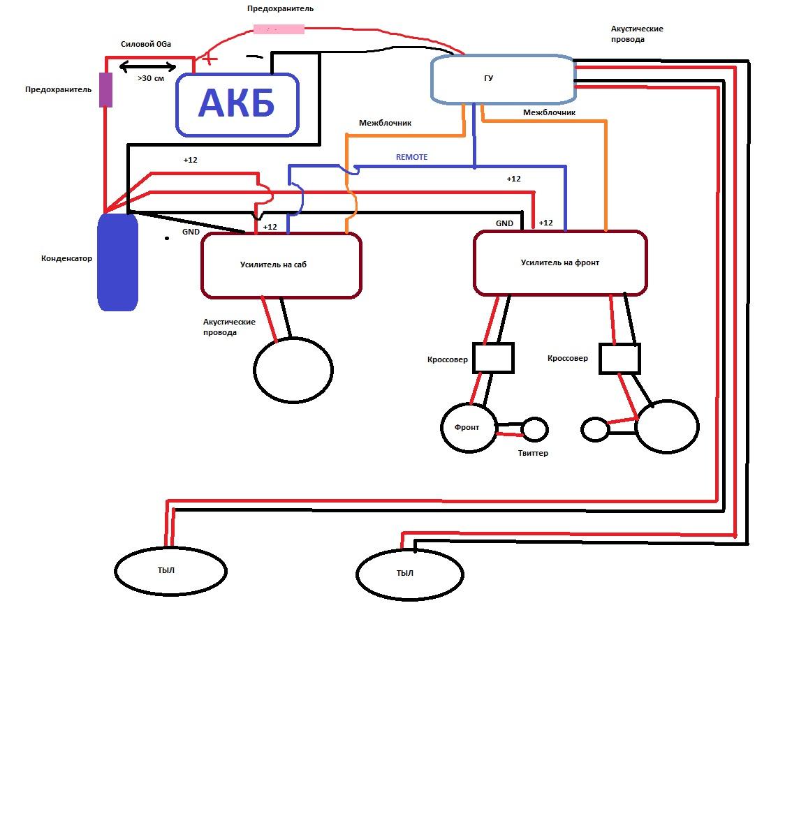
Все правильно. Межблоки можно было и не рисовать, или другим цветом
Sound Quest SQK0 берите
|
2013-03-03 18:22:28KidjessВетеранАдрес: КрасноярскСообщений: 541
|
|
а с остальными не поможешь разобраться:?
|
2013-03-03 18:23:34normalekkЖительАдрес: СамараСообщений: 47
|
|
Что именно?
|
2013-03-03 18:24:04KidjessВетеранАдрес: КрасноярскСообщений: 541
|
|
ну кроме Sound Quest SQK0 какие еще нужны чтобы получилось как на картинке)
|
2013-03-03 18:24:53normalekkЖительАдрес: СамараСообщений: 47
|
|
вот полностью напиши что надо какие и сколько.... а то чет запутался ппц
|
2013-03-03 18:25:32normalekkЖительАдрес: СамараСообщений: 47
|
|
Все есть в комплекте. Единственное можно докупить силового для усилителя на фронт 4Ga, на саб 2Ga + акустических не хватит.
Лучше по отдельности брать, вместо комплекта
|
2013-03-03 18:28:19KidjessВетеранАдрес: КрасноярскСообщений: 541
|
|
и вот не пойму еще от кондера получается 2 плюса и 2 минуса выпускать надо на каждый усилитель так ведь?
|
2013-03-03 18:29:58normalekkЖительАдрес: СамараСообщений: 47
|
|
Сейчас нарисую
|
2013-03-03 18:33:20KidjessВетеранАдрес: КрасноярскСообщений: 541
|
|
давай пожайлуста и подпиши что в комплекте получается из Sound Quest SQK0
|
2013-03-03 18:33:57normalekkЖительАдрес: СамараСообщений: 47
|
|
жди, в процессе
|
2013-03-03 18:40:13KidjessВетеранАдрес: КрасноярскСообщений: 541
|
|
ок пойду в магаз почти)
|
2013-03-03 18:43:12normalekkЖительАдрес: СамараСообщений: 47
|
|
Разбирайся))

|
2013-03-03 18:58:37KidjessВетеранАдрес: КрасноярскСообщений: 541
|
|
Рисовал без соблюдения норм))
Я думаю, тебе известно, что кондер должен быть не дальше 60см от усилителя? Поэтому в твоем случае, целесообразно его поставить между усилителями
|
2013-03-03 19:03:13KidjessВетеранАдрес: КрасноярскСообщений: 541
|
|
спасибо большое
вроди все понял кроме 2 вещей)))
1) у мафона 3 пары выходов....2 пары идут на усилители правильно?....
а тыл получается через фишку вести так ведь?
2)вот синий и оранжевый провод это типо и есть провода которые от предусилителя будут?
|
2013-03-03 19:15:29normalekkЖительАдрес: СамараСообщений: 47
|
|
1. Правильно.
2. Оранжевый - это межблочный кабель (для каждого усилителя свой). Подключаются к выходам ГУ и ко входу усилителей
Синий - управляющий провод Remote. От фишки ГУ на усилители, как на схеме.
В схеме ошибка с подключением твиттеров)))
|
2013-03-03 19:16:27KidjessВетеранАдрес: КрасноярскСообщений: 541
|
|
они через кросы?
|
2013-03-03 19:22:50normalekkЖительАдрес: СамараСообщений: 47
|
|
Надо было так:

|
2013-03-03 19:26:47KidjessВетеранАдрес: КрасноярскСообщений: 541
|
|
а ну ремоте понял что это)))а вот что с межблочным не понимаю что за кабель то? что то туплю)
|
2013-03-03 19:27:11normalekkЖительАдрес: СамараСообщений: 47
|
|
Понятно?))

|
2013-03-03 19:33:51KidjessВетеранАдрес: КрасноярскСообщений: 541
|
|
Понятно?))

|
2013-03-03 19:42:22KidjessВетеранАдрес: КрасноярскСообщений: 541
|
|
все въехал))
|
2013-03-03 19:45:49normalekkЖительАдрес: СамараСообщений: 47
|
|
Sound Quest SQK0 тут комплект на 2 канальник ведь один?
|
2013-03-03 19:47:22normalekkЖительАдрес: СамараСообщений: 47
|
|
Нужно еще клемм, еще один межблочник.
Силовой, акустический и управляющий, если не хватит.
|
2013-03-03 19:50:20KidjessВетеранАдрес: КрасноярскСообщений: 541
|
|
придется Линейные провода для установки второго усилителя покупать + провода для тыла....и какие для тыла брать провода то?
|
2013-03-03 19:50:30normalekkЖительАдрес: СамараСообщений: 47
|
|
ну ладно спасибо вроди все понял... думаю дальше разберусь)))
|
2013-03-03 19:52:02normalekkЖительАдрес: СамараСообщений: 47
|
|
Тыл вообще можно выкинуть в такой системе)))
Провода DAXX, DLS сечением 1,5-2,5 кв.мм.
|
2013-03-03 19:52:12KidjessВетеранАдрес: КрасноярскСообщений: 541
|
|
клемы новые чтоли такие надо ставить две за место старых обычных?
|
2013-03-03 19:53:38normalekkЖительАдрес: СамараСообщений: 47
|
|
как в комплекте:

|
2013-03-03 19:58:17KidjessВетеранАдрес: КрасноярскСообщений: 541
|
|
и какие провода кидать от кросов на пищалки и фронт тоже:? 1.5-2.5
|
2013-03-03 19:58:44normalekkЖительАдрес: СамараСообщений: 47
|
|
В комплекте есть акустический провод.
Отдельно провода DAXX, DLS сечением 1,5-2,5 кв.мм., на фронт и тыл
От усилителя на саб, 4-6 кв.мм.
|
2013-03-03 20:00:45KidjessВетеранАдрес: КрасноярскСообщений: 541
|
|
все спасибо большое)))через дней 10 строить буду))как потеплеет)
|
2013-03-03 20:03:35normalekkЖительАдрес: СамараСообщений: 47
|
|
удачи)))....
|
2013-03-03 20:04:14KidjessВетеранАдрес: КрасноярскСообщений: 541
|
  Для того, чтобы оставлять сообщения на форуме пройдите регистрацию. Если вы зарегистрированы, то введите имя и пароль.
|

Мы в Telegram
Мы в ВКонтакте
Поздравляем всех действующих и бывших военнослужащих с праздником!

23 февраля магазин не работает.
Полная шумоизоляция Вашего автомобиля по специальной цене! При покупке акустики для штатных мест Mercedes - установка на интересных условиях! При покупке акустики для штатных мест BMW - установка на интересных условиях! Шумовиброизоляция четырех дверей в три слоя под ключ по интересной цене! Каждому покупателю акустики размера 16,5 см. дороже 10000 рублей проставочные кольца для установки в подарок! Каждый покупатель получает в подарок компакт-диск с клёвыми миксами от Mr. DJ Monj! Каждому покупателю фирменные рамки «Auto-HiFi» для государственных номерных знаков в подарок!
2026-02-21 Сабвуферы Oris: Oris FT-10L, Oris FT-12L. 2026-02-20 Акустика Gladen Generic 100 X. 2026-02-19 Акустика Dynamic State: Dynamic State DBW-CS104G, Dynamic State DBW-CX100G, Dynamic State DBW-CX100P, Dynamic State DBW-CX100С, Dynamic State DBW-M104C, Dynamic State DBW-M104P, Dynamic State DBW-SW202C, Dynamic State DBW-SW202G, Dynamic State DBW-SW206C, Dynamic State DBW-T28S, Dynamic State DCS-BMW104P, Dynamic State DSW-BMW202P. 2026-02-18 Усилители мощности Ground Zero: Ground Zero GZCA 20000.M1, Ground Zero GZRA 450.1-MICRO, Ground Zero GZRA 65.4-MICRO, Ground Zero GZRA 700.1-MICRO. 2026-02-17 Сабвуфер ACV FEST F15D2. 2026-02-16 Акустика Dynamic State: Dynamic State DAU-CS162, Dynamic State DAU-CS20A, Dynamic State DAU-CS20B, Dynamic State DAU-M100, Dynamic State DAU-T25, Dynamic State DAU-T28A, Dynamic State DAU-T28B, Dynamic State DAU-W162, Dynamic State DAU-W180, Dynamic State DAU-W202, Dynamic State DAU-W250.
Дилерская конференция Audiotec Fischer 2025 в Санкт-Петербурге Финал автозвуковых соревнований EMMA 2025 в Санкт-Петербург Финал EMMA 2024 Фоторепортаж с этапа автозвуковых соревнований EMMA в Санкт-Петербурге 22 июня 2024 года Фоторепортаж с этапа EMMA в Твери 1 июня 2024 года
2-канальный усилитель мощности Hellion HAM 1000.2D Optical 4-канальный усилитель мощности Hellion HAM 150.4D Финал EMMA 2025 в Санкт Петербурге ESQL часть 1 Финал EMMA 2025 в Санкт Петербурге ESQL часть 2 Финал EMMA 2025 в Санкт Петербурге ESQL часть 3 Финал EMMA 2025 в Санкт Петербурге ESQL часть 4 Финал EMMA 2025 в Санкт Петербурге ESQL часть 5 Финал EMMA 2025 в Санкт Петербурге ESQL часть 6
Добрый день, пытаюсь забраться на первую ступеньку SQ, помогите с выбором.
Honda N-WGN, ГУ Kenwood MDV-M705 с ЦАПом AK4490 и полноценн . . . . . Здравствуйте. Что из этого более подойдет для опуса12 , a позже может немного мощнее Саба +-(400rms)-Audio System CO 650.1, Alpine S-A60 . . . . . Доброго,знающие! Вопрос по усилителю Alpine SA-32F. Имеется данный усилитель. В ттх сказано: 55 ватт на 4 канала RMS. Так же имеем пару H . . . . . Всем привет, посоветуйте моноблок на Focal sub12 чтобы раскрыть его в связки с hellion 8.100. . . . . . Здравствуйте, подскажите какой усилитель поставить на миды helix ci5 w165fm-s3? . . . . . Подскажите пожалуйста какой усилитель выбрать стоит пара динамиков Focal auditor ASE 165 и голова Pioneer MVH-S520BT бюджет: до 13000 . . . . . Приветствую!
У меня вопрос)
Собираюсь приобретать комплект Best Balance B6.5C
( с подключением ВЧ через конденсатор из комплекта)
М . . . . . Всем доброго дня
Ищу басовитые 16,5 миды, тк саб в авто не разместить более 6 дюймов
Нужна мощность, тк авто с открытым верхом
Выбор ст . . . . .
Автомагнитола Alpine CDA-9835R → Привет из 2026 . Звук космос . . . . . . Усилитель Audio System X-170.4 → Стоит этот усь на сч и нч. Проблема этих усей в ненадёжных кнопках блока фильтро . . . . . Акустика Morel Maximo Coax 6x9 → Очень средняя акустика. Качественных верхов я так и не услышал. Еще одна особенн . . . . . Сабвуфер JBL S3-1224 → Редкий относительно сабик, но очень даже не плохой, собран качественно. Стоит в . . . . . Автомагнитола Pioneer DEH-P9800BT → кто пишет что процессор она не процессор звук отстой. . . . . . Усилитель Goldhorn DSPA 1216 Plus → Оставлю не большой отзыв. Данный процеусь слушаю уже год, в моей системе он рабо . . . . . Усилитель Aura Venom-D3500 → Он у меня уже года 3 наверное, первые года 2 работал в 1 ом, сейчас уже год рабо . . . . . Усилитель Mac Audio Z 2200 → Привет из 2026 он пашет в 2 Ома в шишку и не собирался прекращать, пришлось толь . . . . .
Усилитель Blaupunkt GTA 475 в Haval H3 Автомагнитола JVC KW-R930BT в Toyota Caldina II Сабвуфер Alpine SWG-1044 в Haval H3 Усилитель Ural BV 1.800 в Haval H3 Усилитель Hellion HAM8.100DSP в Audi Q5
|